Zvislý držiak skla 12-17,52 mm spigot fi 48 mm H=182 mm AISI 304 satén
produkt nedostupný
pridať do zoznamu želaní
Popis
Zvislý držiak skla spigot okrúhly ø48 mm nehrdzavejúca oceľ AISI 304 satén
Zvislý držiak skla typu spigot s okrúhlou základňou — spoľahlivý prvok uchytenia zábradlí a sklenených panelov. Vyrobený z nehrdzavejúcej ocele AISI 304 v saténovom prevedení zaručuje trvanlivosť a odolnosť voči korózii v interiéri aj exteriéri budov. Držiak sa montuje priamo na podklad pomocou skrutiek a zabezpečuje stabilitu a bezpečnosť celej sklenenej konštrukcie.

Kľúčové vlastnosti produktu
- Materiál: nehrdzavejúca oceľ AISI 304 — vysoká odolnosť voči korózii
- Povrchová úprava: satén — estetický, matný vzhľad
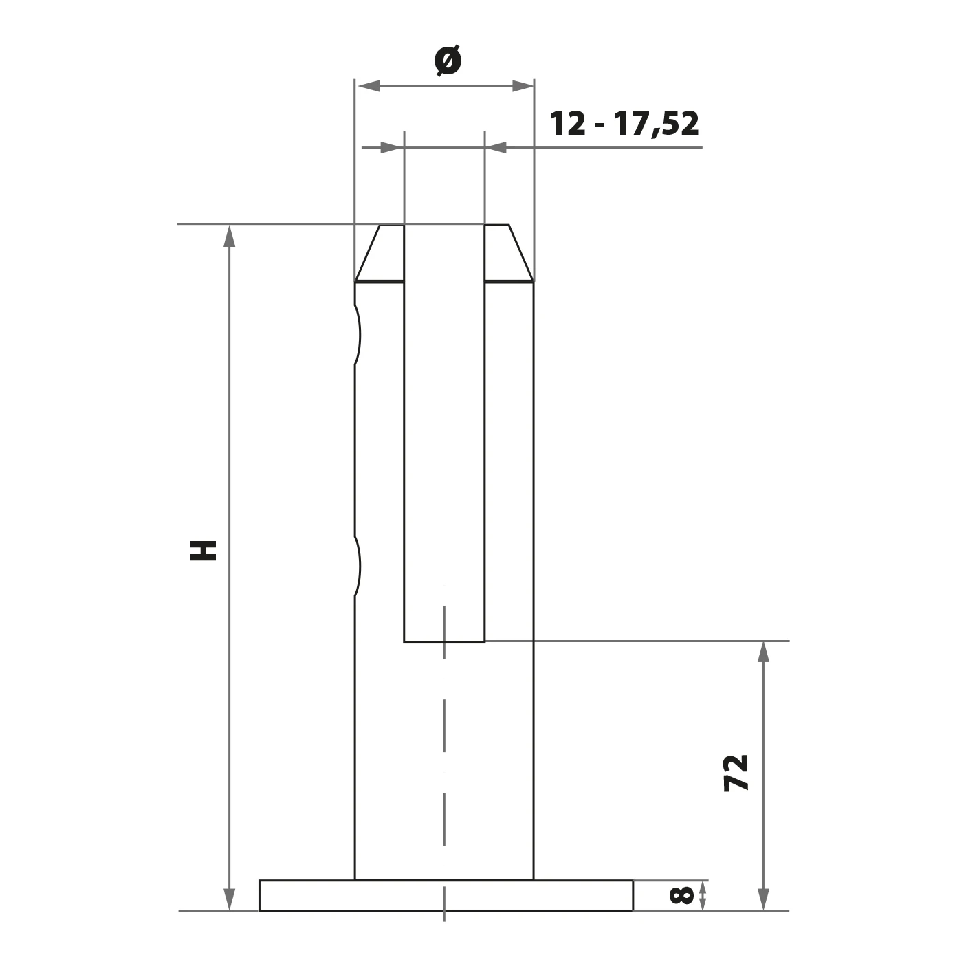
- Kompatibilita so sklom hrúbky: od 12 do 17,52 mm
- Celková výška (H): 182 mm
- Priemer tela: ø48 mm
- Spôsob montáže: skrutkovaný na podklad (odporúčané skrutky DIN 7991 so závitom M8)
- V súprave: krytka zakrývajúca uchytenie
- Hmotnosť: 1,2 kg

Konštrukcia a montáž
Horná časť držiaka je vybavená rozrezaným tŕňom s dvoma zvieracími čeľusťami, medzi ktoré sa vkladá sklenená tabuľa. Vo vnútri drážky sú umiestnené gumové tesnenia, ktoré spoľahlivo pridržiavajú sklo a chránia ho pred poškriabaním. Vďaka tomu konštrukcia účinne prenáša zaťaženie a zaručuje bezpečnosť pri používaní.
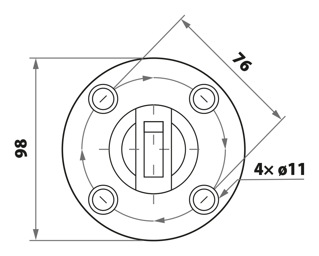
Okrúhla montážna základňa má 4 montážne otvory priemeru ø11 mm rozmiestnené na kružnici s rozstupom 76 mm, čo umožňuje pevné a symetrické priskrutkovanie k podkladu. Krytka priložená v súprave zakrýva hlavy skrutiek a zabezpečuje elegantný, dokončený vzhľad.
Rozmery a technická špecifikácia


- Celková výška (H): 182 mm
- Priemer tela (ø): 48 mm
- Priemer základne: ø98 mm
- Hrúbka základne: 8 mm
- Rozstup montážnych otvorov (PCD): 76 mm
- Počet montážnych otvorov: 4 × ø11 mm
- Hĺbka osadenia skla: 72 mm (od dolnej hrany základne po dno drážky)
- Rozsah hrúbky skla: 12 – 17,52 mm
- Odporúčaný typ skrutiek: DIN 7991, závit M8

Tesnenia v súprave
Spolu s držiakom sú dodávané dve gumové tesnenia (vložky), ktoré sa umiestňujú po oboch stranách sklenenej tabule vo vnútri zvieracej drážky. Tesnenia tlmia tlak čeľustí na sklo, zabraňujú jeho prasknutiu a eliminujú vôle. Vďaka univerzálnemu profilu držiak obsluhovuje sklo hrúbky od 12 mm (jednoduché kalené) až po 17,52 mm (laminované VSG). To umožňuje použitie držiaka v interiérových aj exteriérových zábradliach.
Technické údaje
| Montážny systém | 48,3 mm |
| Hrúbka skla [mm] | 12-17,52 |
| Materiál | AISI 304 |
| Povrchová úprava | Satén |
Bezpečnosť
Všetky recenzie (pozitívne aj negatívne) sa zobrazujú podľa obmedzenia počtu platforiem. Overujeme, či pochádzajú od zákazníkov, ktorí si produkt zakúpili. Viac informácií nájdete na našej stránke zásady komentovania.