Záves na zváranie M16
produkt nedostupný
pridať do zoznamu želaní
Popis
Nastaviteľný oceľový záves M16 na zváranie – krídlové brány
Nastaviteľný oceľový záves M16 na zváranie — odolný montážny prvok určený pre krídlové brány. Pozinkovaná konštrukcia s oceľovým okom v čiernom prevedení zabezpečuje odolnosť voči korózii a estetický vzhľad, pričom vstavaný regulačný mechanizmus umožňuje presné nastavenie krídla brány bez nutnosti demontáže.

Záves bol navrhnutý s ohľadom na intenzívne používanie v exteriérových podmienkach. Pozinkovaný povrch účinne chráni pred pôsobením vlhkosti, dažďa a teplotných výkyvov, čím minimalizuje potrebu údržby. Vďaka regulácii pomocou matice možno kedykoľvek opraviť polohu krídla brány — napríklad po previsnutí alebo vplyvom tepelných deformácií. Ide o riešenie, ktoré šetrí čas pri servise a eliminuje nákladné opravy.
Pár závesov M16 udrží krídlo brány s dĺžkou až 2 metre a hmotnosťou do 65 kg, čo z neho robí univerzálnu voľbu pri montáži vjezdových, záhradných a hospodárskych brán.
Technické parametre
- Materiál: oceľ
- Protikorózna ochrana: pozink (oko v čiernom prevedení)
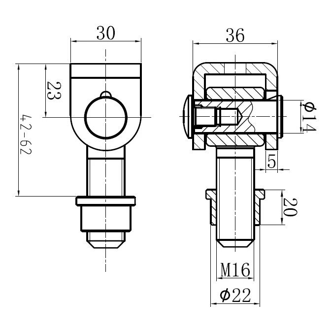
- Priemer skrutky: M16
- Vonkajší priemer čapu: ø22 mm
- Priemer otvoru oka: ø14 mm
- Dĺžka skrutky: 40 mm
- Šírka oka: 36 mm
- Výška oka: 23 mm
- Šírka hlavice: 30 mm
- Celková dĺžka: 78 mm (nastaviteľná v rozsahu 42–62 mm)
- Prípustné zaťaženie páru závesov (krídlo do 2 m): 65 kg
- Hmotnosť: 0,3 kg
Technický výkres s rozmermi

Montáž sa vykonáva zváraním čapu k oceľovej konštrukcii brány alebo stĺpika. Čierne oko s matným povrchom uľahčuje presné polohavanie počas inštalácie. Po namontovaní je nastavenie výšky a úrovne krídla možné kedykoľvek — stačí otočiť regulačnou maticou bez nutnosti demontáže celého závesu.
Nastaviteľný záves M16 je osvedčené riešenie pre profesionálnu montáž krídlových brán — spája trvanlivosť konštrukcie, jednoduchosť montáže a pohodlné nastavenie v jednom kompaktnom prvku.
Ładowanie tabeli porównawczej...
Ładowanie galerii...
Technické údaje
| Nastavenie | Nie |
| Materiál | Oceľ |
| Typ závitu | M16 |
| Priemer | 12 |
| Sposób montażu | Na privarenie |
Bezpečnosť
Všetky recenzie (pozitívne aj negatívne) sa zobrazujú podľa obmedzenia počtu platforiem. Overujeme, či pochádzajú od zákazníkov, ktorí si produkt zakúpili. Viac informácií nájdete na našej stránke zásady komentovania.