Súprava pojezdových vozíkov KIT pre samonosné posuvné brány 60 + príslušenstvo
produkt nedostupný
pridať do zoznamu želaní
Popis
PSG Sada pojezdových vozíkov 60 PLUS s príslušenstvom pre samonosné brány
Sada pojezdových vozíkov PSG 60 PLUS s príslušenstvom je kompletná, cenovo výhodná súprava jazdných prvkov pre samonosné posuvné brány, určená pre koľajnicu 60×60×4 mm. Sada obsahuje dva pojezdové vozíky s 5 kladkami, nájezdovú kladku s ochranným zakončením a držiak nájezdu — všetko, čo inštalačná firma potrebuje na efektívnu montáž posuvnej brány.

Pojezdový vozík s 5 kovovými kladkami tvorí srdce súpravy. Konštrukcia je kyvná — vozík je spojený so základňou pomocou čapu, čo mu umožňuje automaticky sa prispôsobovať koľajnici posuvnej brány. Štyri zvislé kladky vedú koľajnicu z bokov a jedna vodorovná kladka preberá zvislé zaťaženie. Nastaviteľná výška pomocou montážnych skrutiek zabezpečuje presné nastavenie brány. Pozinkované prevedenie zaručuje odolnosť voči korózii a dlhodobú prevádzku vonku.
Nájezdová kladka so zakončením je oceľový, pozinkovaný prvok montovaný na začiatok koľajnice samonosnej brány. Zakončenie kladky predstavuje účinnú ochranu pred snehom a ľadom, ktoré by mohli blokovať nájazd koľajnice na vozíky. V balení sú priložené montážne skrutky. Nájezdová kladka vchádza do držiaka nájezdu upevneného na stĺpiku brány — toto riešenie rozkladá hmotnosť brány na väčší počet oporných bodov, stabilizuje bránu po zatvorení a výrazne predlžuje životnosť pojezdových vozíkov. Držiak má dva montážne otvory na zadnej stene a gumový doraz tlmiaci dobehnutie.

Obsah sady
- Pojezdový vozík s 5 kladkami (kyvný, s nastavením výšky) — 2 ks
- Nájezdová kladka s ochranným zakončením (s montážnymi skrutkami) — 1 ks
- Držiak nájezdu s gumovým dorazom — 1 ks

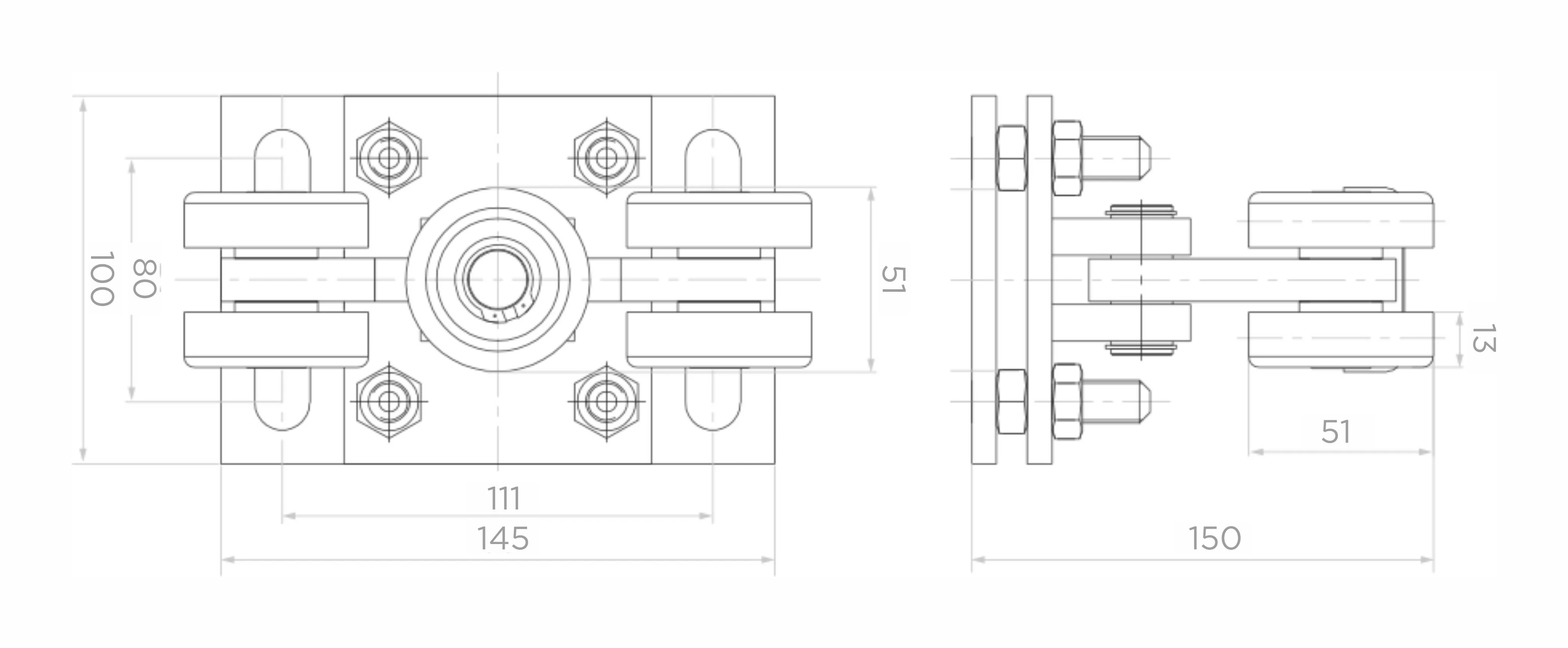
Rozmery pojezdového vozíka
- Rozmery základne (dĺ. × šír.): 145 × 100 mm
- Rozstup montážnych otvorov: 111 × 80 mm
- Celková výška vozíka: 150 mm
- Priemer zvislej kladky: 51 mm
- Šírka zvislej kladky: 13 mm
- Rozstup zvislých kladiek: 51 mm
Technické údaje sady
- Výrobca: PSG Global Hardware
- Kompatibilná koľajnica: 60×60×4 mm
- Počet kladiek vo vozíku: 5 (4 zvislé + 1 vodorovná)
- Materiál kladiek: kov
- Konštrukcia vozíka: kyvná (otočný čap)
- Nastavenie výšky: áno (regulačné skrutky)
- Povrchová úprava: pozinkované
- Hmotnosť sady: 9,1 kg
- EAN: 5901289674713

Výber rozostupu vozíkov (LW) v závislosti od hmotnosti brány a dĺžky otvoru
Uvedená tabuľka zobrazuje odporúčaný rozostup osí pojezdových vozíkov (LW) v metroch v závislosti od hmotnosti brány (P) a dĺžky brány v svetlosti (L). Správny výber rozostupu je kľúčový pre rovnomerné rozloženie zaťaženia a životnosť celého jazdného systému:
- Brána 100 kg: rozostup od 0,50 m (otvor 2,0 m) do 0,90 m (otvor 4,0 m)
- Brána 125 kg: rozostup od 0,60 m (otvor 2,0 m) do 1,20 m (otvor 4,0 m)
- Brána 150 kg: rozostup od 0,80 m (otvor 2,0 m) do 1,40 m (otvor 4,0 m)
- Brána 175 kg: rozostup od 1,00 m (otvor 2,0 m) do 1,70 m (otvor 4,0 m)
- Brána 200 kg: rozostup od 1,10 m (otvor 2,0 m) do 2,00 m (otvor 4,0 m)
Vďaka použitiu nájezdovej kladky s držiakom sa hmotnosť brány po zatvorení rozkladá na tri oporné body namiesto dvoch, čo odľahčuje pojezdové vozíky a umožňuje inštaláciu brán s vyššou hmotnosťou pri zachovaní plnej trvanlivosti mechanizmu.
Ładowanie tabeli porównawczej...
Ładowanie galerii...
Technické údaje
| Počet koliesok [szt.] | 5 |
| Veľkosť jazdnej lišty | 60x60x4 |
| Typ produktu | Balík / KIT s príslušenstvom |
| Konštrukcia vozíka | Výkyvná |
| Materiál koliesok | Oceľ |
| Typ jazdného systému | Pojezdový systém |
Bezpečnosť
Všetky recenzie (pozitívne aj negatívne) sa zobrazujú podľa obmedzenia počtu platforiem. Overujeme, či pochádzajú od zákazníkov, ktorí si produkt zakúpili. Viac informácií nájdete na našej stránke zásady komentovania.