Sada jazdných vozíkov s 5 kolieskami pre samonosné posuvné brány s príslušenstvom
produkt nedostupný
pridať do zoznamu želaní
Popis
Balík pojezdových vozíkov s príslušenstvom pre samonosné posuvné brány
Kompletný, cenovo výhodný balík pojezdových vozíkov s príslušenstvom určený pre samonosné posuvné brány. Sada obsahuje všetky potrebné prvky na profesionálnu montáž brány — pojezdové vozíky, nájezdový valček s ochranným zakončením a držiak nájazdu s gumovým dorazom. Hotové riešenie, ktoré skracuje čas kompletizácie príslušenstva a zefektívňuje realizáciu montážnych zákaziek.

Obsah sady
- Pojezdový vozík s 5 kovovými valčekmi — 2 ks
- Nájezdový valček s ochranným zakončením — 1 ks
- Oceľový držiak nájazdu s gumovým dorazom — 1 ks
- Montážne skrutky v komplete
Všeobecné údaje sady
- Hmotnosť sady: 12,24 kg
- Objem balenia: 10 500 cm³
- EAN: 5901289674720
Pojezdový vozík — konštrukcia a funkcia

Pojezdový vozík je vybavený 5 kovovými valčekmi, vrátane 1 horizontálneho valčeka, ktoré zabezpečujú stabilné vedenie brány po koľajnici. Kyvná konštrukcia — vozík je spojený so základňou pomocou čapu, vďaka čomu sa automaticky prispôsobuje posuvnej bráne a kompenzuje prípadné nerovnosti a odchýlky koľajnice. Výška vozíka je nastaviteľná pomocou skrutiek, čo uľahčuje presné nastavenie brány počas montáže.
- Počet valčekov: 5 (vrátane 1 horizontálneho)
- Konštrukcia: kyvná (čap spájajúci so základňou)
- Nastavenie výšky: skrutkové
- Kompatibilná koľajnica: 70×70×4 mm
- Protikorózna ochrana: galvanické pozinkovanie

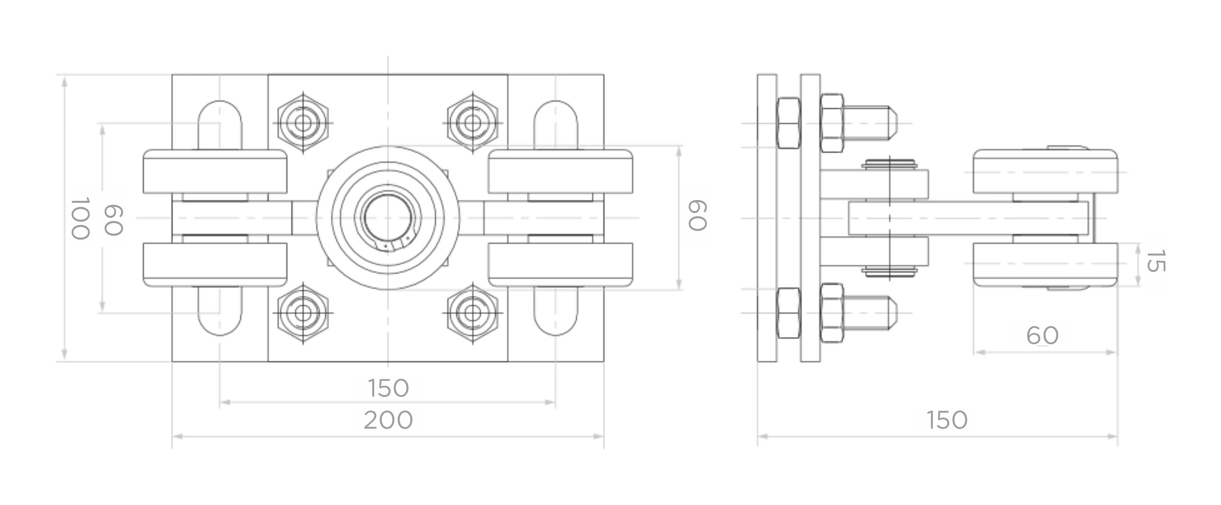
Rozmery pojezdového vozíka
- Rozmer základne (dĺ. × šír.): 200 × 100 mm
- Rozostup montážnych otvorov: 150 × 60 mm
- Celková výška: 150 mm
- Výška valčekov nad základňou: 60 mm
- Hrúbka montážnej základne: 15 mm
Nájezdový valček s ochranným zakončením
Oceľový nájezdový valček montovaný na začiatok koľajnice samonosnej posuvnej brány. Je vybavený ochranným zakončením, ktoré chráni vnútro koľajnice pred vniknutím snehu, ľadu a nečistôt — čo má osobitný význam pri inštaláciách prevádzkovaných v náročných poveternostných podmienkach. Súčasťou dodávky sú montážne skrutky.
- Materiál: oceľ
- Kompatibilná koľajnica: 70×70×4 mm
- Ochranné zakončenie: áno (ochrana pred snehom a ľadom)
- Montážne skrutky: v komplete
- Protikorózna ochrana: galvanické pozinkovanie
Oceľový držiak nájazdu
Držiak nájazdu upevnený na stĺpik brány, do ktorého vchádza nájezdový valček pri zatváraní brány. Vďaka tomuto riešeniu sa hmotnosť brány rozkladá na väčší počet prvkov, čo stabilizuje bránu v zatvorenej polohe a výrazne predlžuje životnosť pojezdových vozíkov. Na zadnej stene sa nachádzajú 2 montážne otvory a gumový doraz tlmiaci nárazy.
- Materiál: oceľ
- Kompatibilné koľajnice: 70×70×4 mm a 80×80×5 mm
- Montážne otvory: 2 ks (zadná stena)
- Doraz: gumový
- Protikorózna ochrana: galvanické pozinkovanie
Výber rozostupu vozíkov v osiach
Správny rozostup pojezdových vozíkov (LW) závisí od svetlej šírky brány (L) a hmotnosti brány (P). Nasledujúca tabuľka uvádza odporúčané hodnoty rozostupu vozíkov v metroch, ktoré zaručujú optimálnu funkčnosť a životnosť systému:

- Hmotnosť brány 200 kg: rozostup od 1,00 m (L=3,0 m) do 1,65 m (L=5,0 m)
- Hmotnosť brány 225 kg: rozostup od 1,10 m (L=3,0 m) do 1,90 m (L=5,0 m)
- Hmotnosť brány 250 kg: rozostup od 1,30 m (L=3,0 m) do 2,10 m (L=5,0 m)
- Hmotnosť brány 275 kg: rozostup od 1,40 m (L=3,0 m) do 2,30 m (L=5,0 m)
- Hmotnosť brány 300 kg: rozostup od 1,60 m (L=3,0 m) do 2,50 m (L=5,0 m)
Svetlé šírky brány zahrnuté v tabuľke: 3,0 m, 3,5 m, 4,0 m, 4,5 m a 5,0 m.
Všetky prvky sady sú galvanicky pozinkované, čo zabezpečuje účinnú protikoróznu ochranu a dlhodobú prevádzku ako pri interiérových inštaláciách, tak aj pri tých vystavených premenlivým poveternostným podmienkam. Kompletný balík umožňuje montážnej firme objednať všetko príslušenstvo v jednej položke — bez rizika vynechania niektorého komponentu.
Ładowanie tabeli porównawczej...
Ładowanie galerii...
Technické údaje
| Veľkosť jazdnej lišty | 70x70x4 |
| Typ produktu | Balík / KIT s príslušenstvom |
| Konštrukcia vozíka | Výkyvná |
| Materiál koliesok | Oceľ |
| Počet koliesok [szt.] | 5 |
| Typ jazdného systému | Pojezdový systém |
Bezpečnosť
Všetky recenzie (pozitívne aj negatívne) sa zobrazujú podľa obmedzenia počtu platforiem. Overujeme, či pochádzajú od zákazníkov, ktorí si produkt zakúpili. Viac informácií nájdete na našej stránke zásady komentovania.