PSG regulovateľný záves pre brány M20 so štítom 100×100 mm pozinkovaný – čierne ucho
produkt nedostupný
pridať do zoznamu želaní
Popis
PSG regulovateľný záves pre brány M20 so štítom 100×100 mm pozinkovaný – čierne ucho

Regulovateľný záves PSG M20 so štítom 100×100 mm je solidné a osvedčené montážne riešenie určené pre krídlové brány. Oceľová konštrukcia s pozinkovaním a čiernym uchom zabezpečuje mnohoročnú odolnosť proti korózii a estetický, profesionálny vzhľad. Vďaka závitu M20 s regulačnou maticou je možné kedykoľvek korigovať nastavenie krídla brány — bez nutnosti demontáže závesu.
Regulácia po montáži — kľúčová výhoda
Najdôležitejšou vlastnosťou tohto závesu je možnosť regulácie aj po dokončenej montáži. Pomocou regulačnej matice je možné záves dokrútiť alebo povoliť kedykoľvek — napríklad pri poklesnutí konštrukcie brány alebo počas extrémnych zimných teplôt, keď sa kov zmršťuje vplyvom mrazu. Regulácia umožňuje rýchle obnovenie pôvodných nastavení bez demontáže, čo šetrí čas a náklady na údržbu na stavbe.


Charakteristika produktu
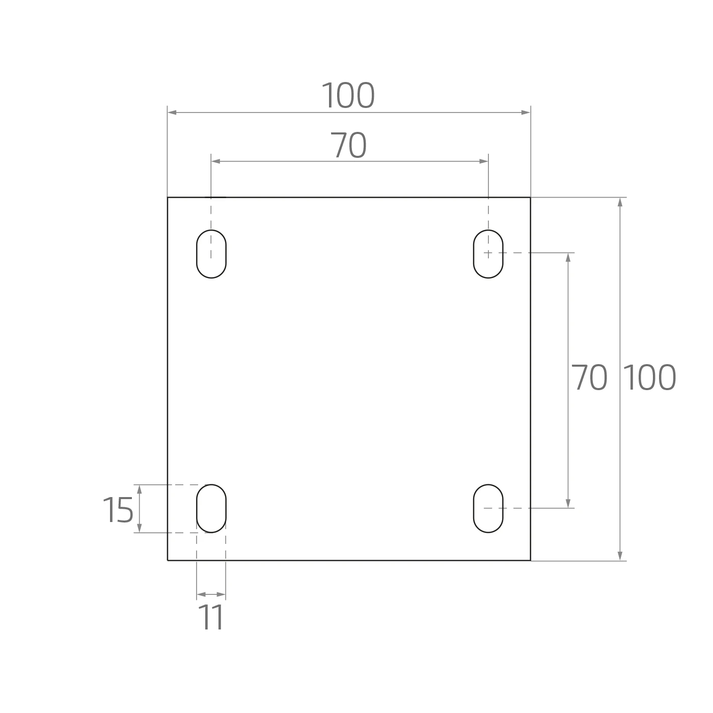
- Štít s rozmermi 100×100 mm a hrúbkou 4 mm zabezpečuje solidné upevnenie k stĺpu brány, zvyšujúc stabilitu a odolnosť celej konštrukcie
- Pozinkovanie chráni pred koróziou v náročných atmosférických podmienkach, zaručuje mnohoročnú trvanlivosť
- Čierne ucho (otočný element) — estetické prevedenie kontrastujúce s pozinkovaným štítom
- Vysoká odolnosť proti opotrebovaniu a mechanickému poškodeniu minimalizuje potrebu údržby
- Určený pre krídlové brány — ideálny pre intenzívne využívané vjazdy a oplotenia

Rozmery a technické údaje
- Výrobca: PSG
- Materiál: oceľ
- Antikorózna ochrana: zinok (ucho čierne)
- Závit: M20
- Rozmery štítu: 100×100 mm
- Hrúbka plechu štítu: 4 mm
- Rozstup montážnych otvorov: 70×70 mm
- Rozmery montážnych otvorov: 15×11 mm (podlhovasté otvory)
- Šírka ucha: 40 mm
- Vyloženie od platne po koniec ucha: 94 mm
- Vyloženie od platne po os otáčania: 50 mm
- Priemer závitového čapu: 20 mm (M20)
- Hmotnosť: 0,8 kg

Montáž a použitie
Štít sa upevňuje k stĺpu brány pomocou štyroch podlhovatých otvorov (15×11 mm) rozmiestnených v rozstupe 70×70 mm, čo dáva priestor pre reguláciu už vo fáze priskrutkovania. Závitový čap M20 s maticou umožňuje presné nastavenie výšky a dotisku krídla. Záves sa osvedčí tak v oceľových konštrukciách, ako aj v murovaných oploteniach — všade tam, kde sa vyžaduje spoľahlivosť a jednoduchosť servisu.
Technické údaje
| Materiál | Oceľ |
| Typ závitu | M20 |
| Sposób montażu | So štítkom |
Bezpečnosť
Všetky recenzie (pozitívne aj negatívne) sa zobrazujú podľa obmedzenia počtu platforiem. Overujeme, či pochádzajú od zákazníkov, ktorí si produkt zakúpili. Viac informácií nájdete na našej stránke zásady komentovania.