PSG doraz na koľajnicu zavesených brán 6V.032 – obmedzovač pozinkovaný
produkt nedostupný
pridať do zoznamu želaní
Popis
PSG doraz na koľajnicu zavesených brán 6V.032 – obmedzovač pozinkovaný

Doraz na koľajnicu pre zavesené brány PSG 6V.032 je spoľahlivý obmedzovač montovaný na koncovom úseku jazdnej koľajnice. Jeho hlavnou úlohou je zabezpečenie vozíka pred vypadnutím z koľajnice — chráni jazdné prvky pred poškodením a zároveň účinne tlmí otrasy vznikajúce pri dojazde brány do koncovej pozície.
Doraz je celý pozinkovaný, čo zaručuje vysokú odolnosť voči korózii a dlhodobú prevádzku aj v náročných atmosférických podmienkach. Nárazník vyrobený z čierneho nylónu amortizuje nárazy, redukuje hluk a minimalizuje mechanické opotrebenie. Montáž je rýchla a jednoduchá — prvok sa pripevňuje priamo na koľajnicu pomocou dvoch nastavovacích skrutiek, čo umožňuje presné nastavenie pozície dorazu bez nutnosti použiť dodatočné špecializované náradie.
Kompatibilita a použitie
Doraz je určený pre koľajnice s prierezom 35 × 32 × 1,5 mm, používané v systémoch zavesených brán. Montážna štrbina s výškou 14 mm umožňuje spoľahlivé osadenie na profil koľajnice. Vďaka kompaktnej konštrukcii a nízkej hmotnosti (100 g) prvok nezaťažuje konštrukciu a neovplyvňuje plynulosť chodu brány.

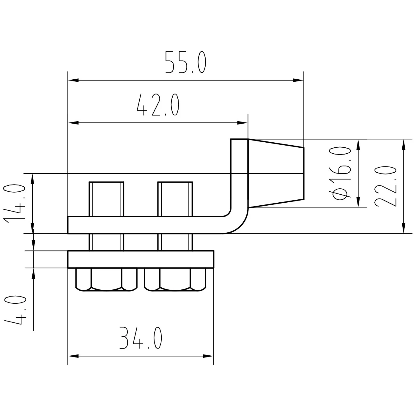
Rozmery a technické parametre
- Výrobca: PSG
- Celková dĺžka: 55 mm
- Dĺžka úchytu (po ohyb): 42 mm
- Dĺžka prítlačnej platničky: 34 mm
- Celková výška (H): 34 mm
- Výška zvislej časti: 22 mm
- Výška montážnej štrbiny: 14 mm
- Hrúbka prítlačnej platničky: 4 mm
- Priemer nylónového nárazníka: Ø16 mm
- Dĺžka (L): 25 mm
- Kompatibilná koľajnica: 35 × 32 × 1,5 mm
- Materiál korpusu: pozinkovaná oceľ
- Materiál nárazníka: čierny nylón
- Farba: strieborná (pozinok) / čierna (nárazník)
- Hmotnosť: 0,1 kg
- EAN: 5903313203616
Doraz PSG 6V.032 je nevyhnutný bezpečnostný prvok každej zavesnej brány — jednoduchý na montáž, nastaviteľný a trvanlivý. Ideálne riešenie pre profesionálne inštalačné tímy, ktoré si cenia overené komponenty a rýchlosť realizácie.
Technické údaje
| Materiál | Oceľ |
Bezpečnosť
Všetky recenzie (pozitívne aj negatívne) sa zobrazujú podľa obmedzenia počtu platforiem. Overujeme, či pochádzajú od zákazníkov, ktorí si produkt zakúpili. Viac informácií nájdete na našej stránke zásady komentovania.