PINOX – rohový zábradlový stĺpik fi 42,4 mm h981 mm nerezová oceľ AISI 304 satén
produkt nedostupný
pridať do zoznamu želaní
0
Popis
PINOX – rohový zábradlový stĺpik fi 42,4 mm h981 mm nerezová oceľ AISI 304 satén

Rohový stĺpik PINOX je profesionálny konštrukčný prvok zábradlí, určený na montáž do podlahy. Vyrobený z nerezovej ocele AISI 304 s povrchovou úpravou satén, zabezpečuje vysokú odolnosť voči korózii a elegantný vzhľad, ktorý sa osvedčí tak vo vnútorných priestoroch, ako aj v exteriéri.
Stĺpik je vybavený 4 precízne nariadené otvory M8 rozmiestnené v dvoch pároch pod uhlom 90°, čo umožňuje stabilné uchytenie držiakov na tyče alebo rúrky vypĺňajúce zábradlie. Privarená montážna základňa s priemerom ø100 mm s troma oválnymi otvormi zabezpečuje spoľahlivé a trvalé pripevnenie k podkladu. Stĺpik je kompatibilný so štandardným zábradlovým systémom 42,4 mm.
Technická špecifikácia
- Typ: rohový, nevyzbrojený
- Materiál: nerezová oceľ AISI 304
- Povrchová úprava: satén
- Priemer rúrky: ø42,4 mm
- Hrúbka steny rúrky: 2 mm
- Celková výška: 981 mm
- Montážne otvory: 4 ks so závitom M8 (2 páry po 2 otvory pod uhlom 90°)
- Rozstup párov otvorov vo zvislom smere: 610 mm
- Vzdialenosť horného páru od vrcholu: 121 mm
- Vzdialenosť dolného páru od základne: 250 mm
- Upevnenie: do podlahy
- Hmotnosť: 2,1 kg
- EAN: 5903313205498
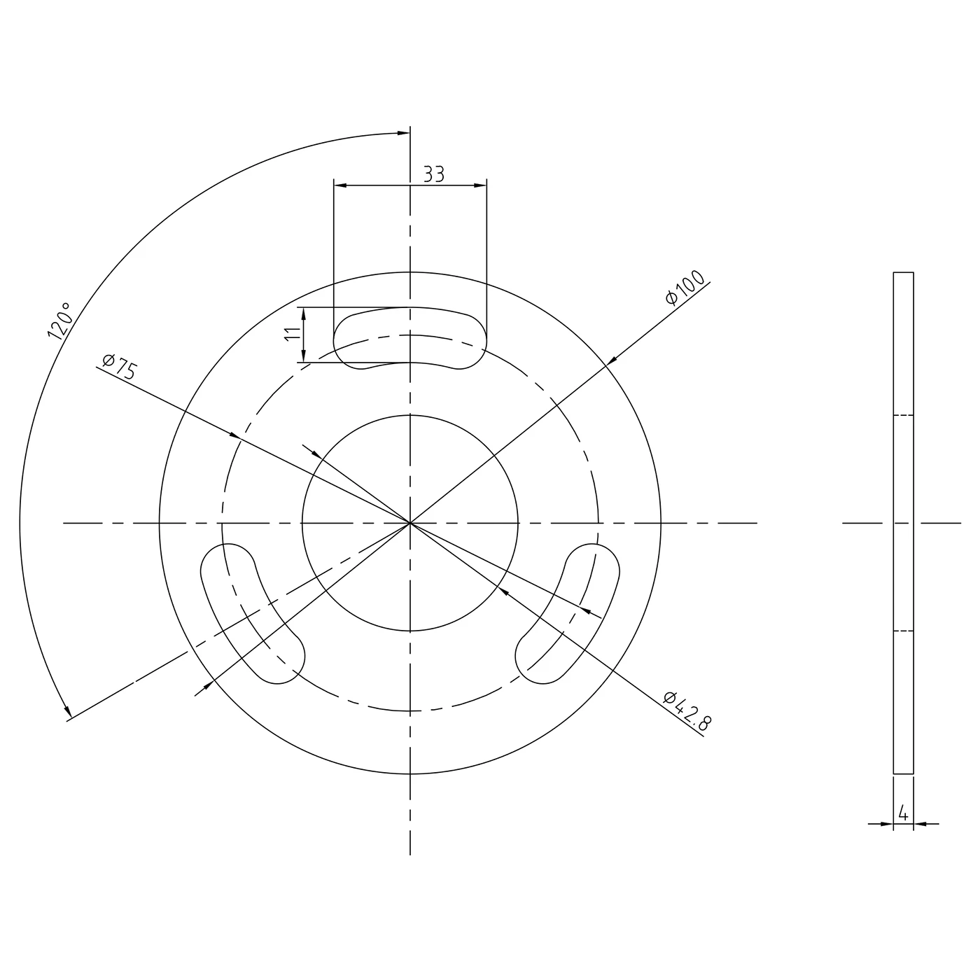
Rozmery montážnej základne (príruby)

- Vonkajší priemer základne: ø100 mm
- Priemer centrálneho otvoru: ø42,8 mm
- Hrúbka základne: 4 mm
- Montážne otvory: 3 oválne otvory (33 × 11 mm) na rozdeľovacom priemere ø75 mm, rozmiestnené po 120°
Rozmery stĺpika — technická kresba

Kresba zobrazuje rozmiestnenie závitových otvorov M8 na stĺpiku a kľúčové zvislé rozmery. Otvory sú rozmiestnené v dvoch pároch — horný pár sa nachádza 121 mm od vrcholu, dolný 250 mm od základne, rozstup medzi pármi je 610 mm. Rúrka s prierezom ø42,4 × 2 mm je privarená k základni s priemerom ø100 mm.

Použitie a údržba
Rohový stĺpik PINOX je určený predovšetkým na vnútorné použitie — schodiskové priestory, antresoly, galérie či komerčné budovy. Môže sa používať aj vonku pri vhodnej pravidelnej údržbe. Neodporúča sa montáž v bezprostrednej blízkosti bazénov, plaváreň ani v oblastiach vystavených intenzívnemu pôsobeniu morskej soli.
Oválne otvory v základni uľahčujú presné vyrovnanie stĺpika počas montáže a privarená príruba eliminuje potrebu použitia dodatočných adaptérov — stačí priskrutkovanie priamo k podkladu. Vďaka tomu je čas inštalácie výrazne kratší, čo sa premietne do vyššej efektívnosti práce montážneho tímu.
Technické údaje
| Materiál | AISI 304 |
| Povrchová úprava | Satén |
| Montážny systém | 42,4 mm |
Bezpečnosť
Všetky recenzie (pozitívne aj negatívne) sa zobrazujú podľa obmedzenia počtu platforiem. Overujeme, či pochádzajú od zákazníkov, ktorí si produkt zakúpili. Viac informácií nájdete na našej stránke zásady komentovania.