Jazdný vozík na hliníkový profil 5-kladkový s kladkami z plastu
produkt nedostupný
pridať do zoznamu želaní
Popis
Jazdný vozík 5-kladkový pre samonosné brány – nylonové kladky, 600 kg
Jazdný vozík s 5 kladkami je kľúčovým prvkom systému samonosných (konzolových) brán, ktorý zabezpečuje plynulý a stabilný pohyb krídla brány. Päť kladiek vyrobených z nylonu v kombinácii s monoblokovým korpusom z pozinkovanej ocele zaručuje tichú prevádzku, minimálne trenie a vysokú nosnú kapacitu až 600 kg. Toto riešenie je určené pre brány v súkromných aj priemyselných objektoch — všade tam, kde záleží na spoľahlivosti a trvanlivosti mechanizmu.


Monobloková konštrukcia pre maximálnu pevnosť
Korpus vozíka je vyrobený monoblokovou technológiou — z jedného oceľového odliatku, čo eliminuje slabé miesta zvarov a zvyšuje tuhosť celej konštrukcie. Vrstva zinku nanesená na oceľ vytvára účinnú protikoróznu bariéru, vďaka čomu si vozík zachováva plnú funkčnosť aj v náročných vonkajších podmienkach — pri vysokej vlhkosti, zrážkach či teplotných výkyvoch. Pre montážne tímy to znamená menej reklamácií a dlhšiu bezporuchovú prevádzku brány u koncového zákazníka.
Nylonové kladky — tichá prevádzka a nízke opotrebenie
Päť kladiek s priemerom ø60 mm vyrobených z odolného nylonu zabezpečuje výrazné zníženie hluku v porovnaní s kovovými kladkami. Nylon minimalizuje trenie, čo sa prejavuje menším zaťažením pohonu brány a nižšou spotrebou energie. Kladky sú uložené na guľkových ložiskách, ktoré sú prevádzkovými dielmi — vyžadujú pravidelnú vizuálnu kontrolu a mazanie, zároveň však umožňujú jednoduchú výmenu bez nutnosti demontáže celého vozíka.

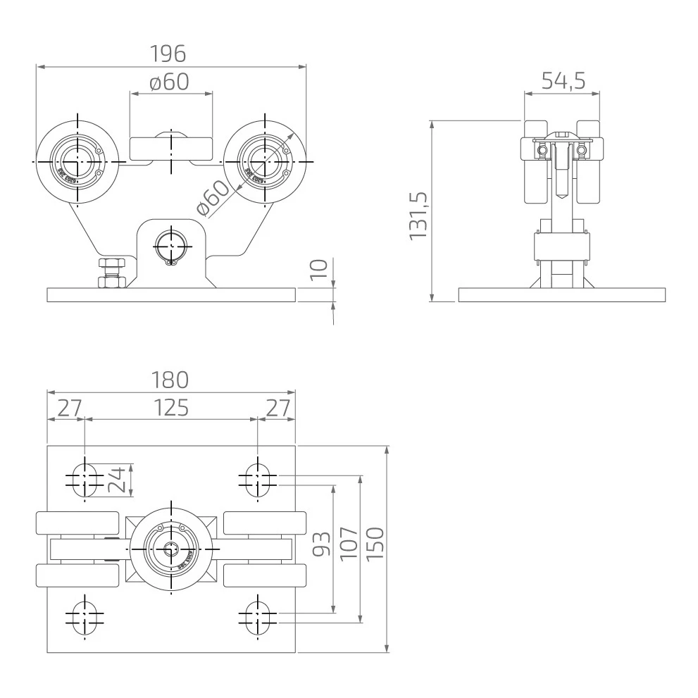
Rozmery a technické parametre
- Nosnosť: 600 kg
- Počet kladiek: 5 (nylonové)
- Priemer kladiek: ø60 mm
- Celková výška: 131,5 mm
- Celková dĺžka (po krajné kladky): 196 mm
- Šírka po vonkajšie hrany kladiek: 54,5 mm
- Rozmery montážnej základne: 180 × 150 mm
- Hrúbka základne: 10 mm
- Rozteč montážnych otvorov (pozdĺžne): 125 mm
- Rozteč montážnych otvorov (priečne): 107 mm
- Montážne otvory: pozdĺžne (oválne) s dĺžkou 24 mm
- Materiál korpusu: pozinkovaná oceľ
- Materiál kladiek: nylon
- Typ brány: posuvná samonosná (konzolová)
- Hmotnosť: 4,5 kg
- EAN: 8028390963189
Prevádzkové diely a údržba
Najvyššiemu opotrebeniu sú vystavené pohyblivé časti — ložiská a nylonové kladky. Pre zachovanie optimálnej funkčnosti systému sa odporúča ich pravidelná vizuálna kontrola a mazanie ložísk. Pravidelná údržba umožňuje predísť nákladným opravám a zaručuje dlhoročnú bezporuchovú prevádzku brány. Pozdĺžne montážne otvory (oválne) v základni umožňujú presnú reguláciu polohy vozíka počas inštalácie, čo urýchľuje montáž a uľahčuje dosiahnutie ideálneho nastavenia jazdnej koľajnice.
Ładowanie tabeli porównawczej...
Ładowanie galerii...
Technické údaje
| Veľkosť jazdnej lišty | 60x60x4 |
| Typ produktu | Jednotlivý vozík |
| Konštrukcia vozíka | Pevná |
| Max. nosnosť [kg] | 600 |
| Materiál koliesok | Nylon |
| Počet koliesok [szt.] | 5 |
| Typ jazdného systému | Pojezdový systém |
Bezpečnosť
Všetky recenzie (pozitívne aj negatívne) sa zobrazujú podľa obmedzenia počtu platforiem. Overujeme, či pochádzajú od zákazníkov, ktorí si produkt zakúpili. Viac informácií nájdete na našej stránke zásady komentovania.