Držiak na sklo 40x35x20 mm AISI304 plochý systém satén
produkt nedostupný
pridať do zoznamu želaní
Popis
Konzola na sklo Pinox 40×35×20 mm – oceľ AISI 304, satén, plochý systém
Konzola na sklo Pinox je pevný montážny prvok z nehrdzavejúcej ocele AISI 304 určený na stabilné upevnenie sklenených panelov v interiérových zábradliach. Saténový povrch mu dodáva moderný, elegantný vzhľad a obmedzuje viditeľnosť drobných škrabancov a otlačkov prstov. Vďaka konštrukcii prispôsobenej plochému systému sa konzola výborne osvedčuje v štandardných zábradlových riešeniach — na schodiskách, medziposchodiach, galériách a v komerčných budovách.

Spoľahlivé upevnenie a jednoduché montáž
Konzola je vybavená montážnym otvorom s priemerom 10 mm (oválny otvor) umožňujúcim presné pripevnenie k nosnej konštrukcii a závitom pod pritláčaciu skrutku M6/M8 (skrutka nie je súčasťou balenia), ktorá stabilne zafixuje sklo. Gumová vložka chráni sklo pred priamym kontaktom s kovom, predchádza poškriabaniu a zabezpečuje rovnomerný pritlak. Oválny tvar montážneho otvoru umožňuje malé nastavenie pozície konzoly počas montáže, čo uľahčuje presné vyrovnanie celého zábradlia.
Odolnosť nehrdzavejúcej ocele AISI 304
Oceľ AISI 304 je materiál s vysokou odolnosťou voči korózii, vlhkosti a mechanickému poškodeniu, čo sa prejavuje v dlhoročnej prevádzke konzoly bez straty vlastností a vzhľadu. Saténový povrch sa výborne kombinuje so sklom a inými prvkami zábradlia, vytvára uceleného, moderného dokončenia interiéru.

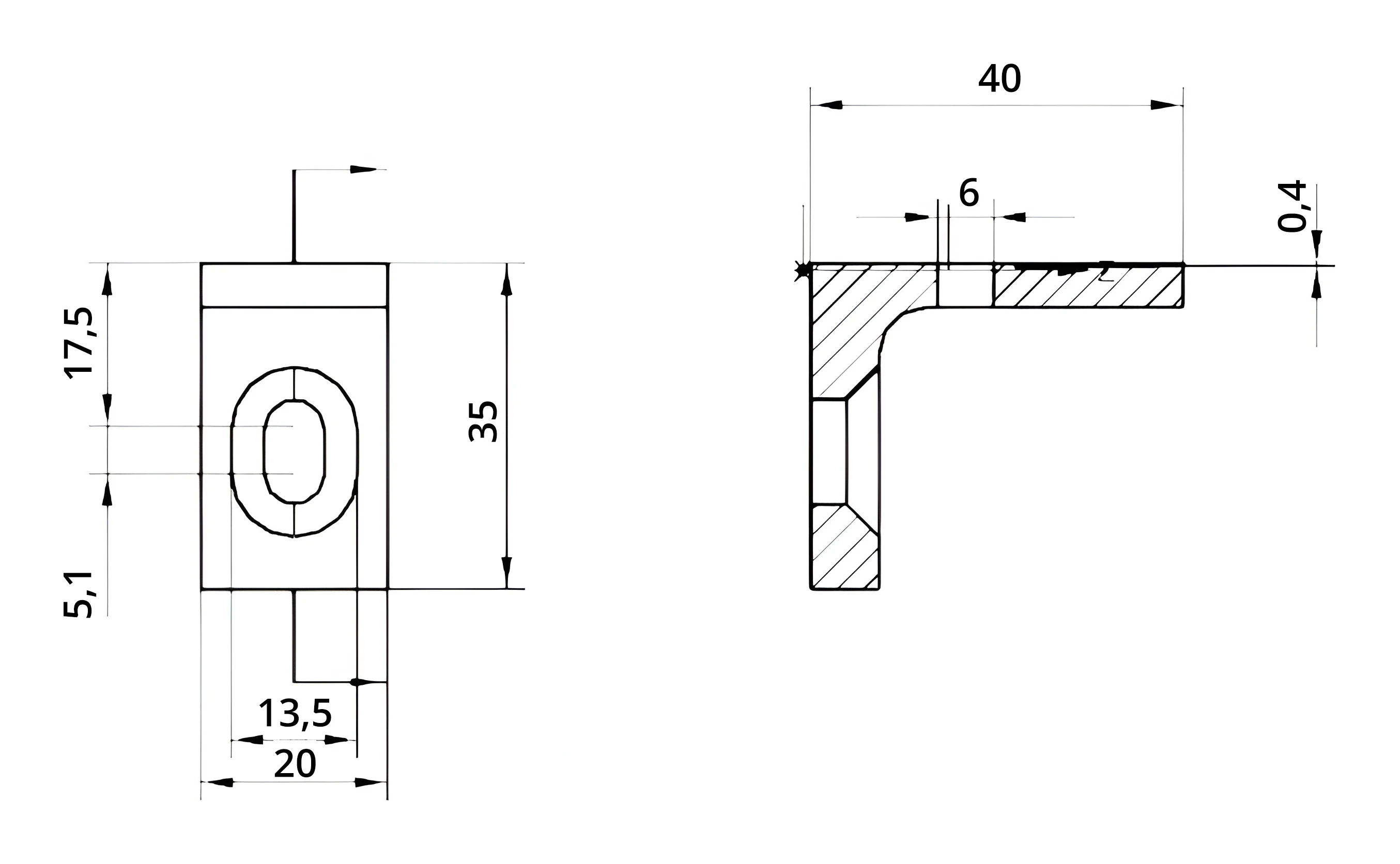
Rozmery a technická špecifikácia
- Hĺbka (L): 40 mm
- Výška (H): 35 mm
- Šírka: 20 mm
- Priemer montážneho otvoru: 10 mm (oválny otvor s reguláciou 5,1 mm)
- Os montážneho otvoru: 17,5 mm od hornej hrany
- Závit pritláčacej skrutky: M6 / M8 (skrutka nie je súčasťou balenia)
- Hĺbka výbrusu pod skrutku: 6 mm
- Hrúbka vodorovného ramena s podrezom: 0,4 mm prehĺbenie
- Materiál: nehrdzavejúca oceľ AISI 304
- Povrchová úprava: satén
- Systém: plochý
- Určenie: interiérové zábradlia (obytné a komerčné budovy)
- Hmotnosť: 0,05 kg
- Objem: 56,7 cm³
- EAN: 5903313208888



Technické údaje
| Povrchová úprava | Satén |
| Montážny systém | Plochý |
| Materiál | AISI 304 |
Bezpečnosť
Všetky recenzie (pozitívne aj negatívne) sa zobrazujú podľa obmedzenia počtu platforiem. Overujeme, či pochádzajú od zákazníkov, ktorí si produkt zakúpili. Viac informácií nájdete na našej stránke zásady komentovania.